Электродвигатели с тормозом MSEJ, ATBrake
Электродвигатели с тормозом MSEJ используются в качестве приводов механизмов, требующих фиксированной остановки в заданный промежуток времени. К таким механизмам относятся тельферы, подъемные краны, лифтовое оборудование, обрабатывающие станки и проч. Номинальная мощность двигателей составляет 0,06 — 18,5 кВт. Скорость вращения выходного вала — 750, 1000, 1500 или 3000 об/мин. Сеть электропитания: 220В/380В, 380В/660В переменного тока 50 Гц.
  • Двигатели MSEJ оборудованы дисковым тормозом — электромуфтой с прижимными пружинами, которая управляется постоянным током от встроенного выпрямителя DC. Ручное растормаживание обесточенного электродвигателя производится с помощью рычага.
1. Тип электродвигателя.(MSEJ; ATB.)
2. Габарит электродвигателя.(56...225)
3. Число полюсов.(2; 4; 6; 8; 10.)
4. Мощность, (0.06...45.кВт)
5. Частота вращения, (3000; 1500; 1000; 750; 500 / об/мин)
6. Напряжение питания. (220; 220/380; 380/660. V)
7. Монтажное исполнение. (B3; B5; B14; B34; B35.)
8. Дополнительные опции.
По запросу заказчика на электродвигатели со встроенным электромагнитным тормозом возможна установка дополнительного оборудования:
· Устройство ручного растормаживания тормоза с механической фиксацией;
· Блок независимой вентиляции;
· Термодатчик;
· Энкодер;
· Принудительное охлаждение;
· Второй выход вала электродвигателя;

Типоразмер Мощность, кВт КПД, % Коэфф. мощности Частота вращения вала, об/мин Напряжение питания, В Номин. ток, А Tmax/Tn Ts/Tn Is/In Уровень шума, дБ
3000 об/мин
MSEJ631-2 0.18 52.8 0.80 2710 220/380 1.12/0.65 2.2 2.0 5.5 61
MSEJ632-2 0.25 58.2 0.81 2710 220/380 1.39/0.81 2.2 2.0 5.5 61
MSEJ633-2 0.37 63.9 0.81 2710 220/380 1.88/1.09 2.2 2.0 5.5 64
MSEJ711-2 0.37 63.9 0.81 2730 220/380 1.88/1.09 2.2 2.0 6.0 64
MSEJ712-2 0.55 69.0 0.82 2730 220/380 2.55/1.48 2.2 2.0 6.0 64
MSEJ713-2 0.75 72.1 0.83 2730 220/380 3.29/1.90 2.2 2.0 6.0 67
MSEJ801-2 0.75 72.1 0.83 2770 220/380 3.29/1.90 2.2 2.0 6.0 67
MSEJ802-2 1.1 75.0 0.83 2770 220/380 4.64/2.68 2.2 2.0 7.0 67
MSEJ803-2 1.5 77.2 0.84 2770 220/380 6.07/3.51 2.2 2.0 7.0 72
MSEJ90S-2 1.5 77.2 0.84 2800 220/380 6.07/3.51 2.2 2.0 7.0 72
MSEJ90L1-2 2.2 79.7 0.85 2800 220/380 8.52/4.93 2.2 2.0 7.0 72
MSEJ90L2-2 3.0 81.5 0.87 2800 220/380 11.1/6.43 2.2 2.0 7.5 76
MSEJ100L1-2 3.0 81.5 0.87 2840 220/380 11.1/6.43 2.2 2.0 7.5 76
MSEJ100L2-2 4.0 83.1 0.88 2840 220/380 14.4/8.31 2.2 2.0 7.5 77
MSEJ112M1-2 4.0 83.1 0.88 2860 220/380 14.4/8.31 2.2 2.0 7.5 77
MSEJ112M2-2 5.5 84.7 0.88 2860 220/380 19.4/11.2 2.2 2.0 7.5 80
MSEJ112M3-2 7.5 86.0 0.88 2870 220/380 26.0/15.1 2.2 2.0 7.5 80
MSEJ132S1-2 5.5 84.7 0.88 2900 380/660 11.2/6.46 2.2 2.0 7.5 80
MSEJ132S2-2 7.5 86.0 0.88 2900 380/660 15.1/8.67 2.2 2.0 7.5 80
MSEJ132M1-2 9.2 86.8 0.88 2920 380/660 18.3/10.5 2.2 2.0 7.5 83
MSEJ132M2-2 10 87.2 0.89 2920 380/660 19.6/11.3 2.2 2.0 7.5 86
MSEJ132M3-2 11 87.6 0.89 2930 380/660 21.4/12.3 2.2 2.0 7.5 86
MSEJ132M4-2 15 88.7 0.89 2930 380/660 28.9/16.6 2.2 2.0 7.5 86
MSEJ160M1-2 11 87.6 0.89 2930 380/660 21.4/12.3 2.2 2.0 7.5 86
MSEJ160M2-2 15 88.7 0.89 2930 380/660 28.9/16.6 2.2 2.0 7.5 86
MSEJ160L-2 18.5 89.3 0.90 2930 380/660 35.0/20.1 2.2 2.0 7.5 86
1500 об/мин
MSEJ631-4 0.12 50.0 0.64 1340 220/380 0.98/0.57 2.3 2.2 4.0 52
MSEJ632-4 0.18 57.0 0.65 1340 220/380 1.28/0.74 2.3 2.2 4.0 52
MSEJ633-4 0.25 61.5 0.65 1340 220/380 1.64/0.95 2.3 2.2 4.0 55
MSEJ711-4 0.25 61.5 0.72 1360 220/380 1.48/0.86 2.3 2.2 5.5 55
MSEJ712-4 0.37 66.0 0.74 1360 220/380 1.99/1.15 2.3 2.2 5.5 55
MSEJ713-4 0.55 70.0 0.75 1360 220/380 2.75/1.59 2.3 2.2 5.5 58
MSEJ801-4 0.55 70.0 0.75 1380 220/380 2.75/1.59 2.3 2.2 5.5 58
MSEJ802-4 0.75 72.1 0.76 1380 220/380 3.59/2.08 2.3 2.2 6.0 58
MSEJ803-4 1.1 75.0 0.77 1380 220/380 5.00/2.89 2.3 2.2 6.0 61
MSEJ90S-4 1.1 75.0 0.77 1400 220/380 5.00/2.89 2.3 2.2 6.0 61
MSEJ90L1-4 1.5 77.2 0.79 1400 220/380 6.45/3.74 2.3 2.2 6.0 61
MSEJ90L2-4 2.2 79.7 0.81 1400 220/380 8.94/5.18 2.3 2.2 7.0 64
MSEJ100L1-4 2.2 79.7 0.81 1420 220/380 8.94/5.18 2.3 2.2 7.0 64
MSEJ100L2-4 3.0 81.5 0.82 1420 220/380 11.8/6.82 2.3 2.2 7.0 64
MSEJ100L3-4 4.0 83.1 0.82 1420 220/380 15.4/8.92 2.3 2.2 7.0 65
MSEJ112M1-4 4.0 83.1 0.82 1430 220/380 15.4/8.92 2.3 2.2 7.0 65
MSEJ112M2-4 5.5 84.7 0.83 1430 220/380 20.5/11.9 2.3 2.2 7.0 71
MSEJ132S-4 5.5 84.7 0.83 1440 380/660 11.9/6.84 2.3 2.2 7.0 71
MSEJ132M1-4 7.5 86.0 0.84 1440 380/660 15.8/9.08 2.3 2.2 7.0 71
MSEJ132M2-4 9.2 86.8 0.84 1450 380/660 19.2/11.0 2.2 2.2 7.0 73
MSEJ132M3-4 10 87.2 0.84 1450 380/660 20.7/11.9 2.2 2.2 7.0 75
MSEJ132M4-4 11 87.6 0.84 1450 380/660 22.7/13.1 2.2 2.2 7.0 75
MSEJ160M-4 11 87.6 0.84 1460 380/660 22.7/13.1 2.2 2.2 7.0 75
MSEJ160L1-4 15 88.7 0.85 1460 380/660 30.2/17.4 2.2 2.2 7.5 75
MSEJ160L2-4 18.5 89.3 0.86 1460 380/660 36.6/21.1 2.2 2.2 7.5 76
Типоразмер Мощность, кВт КПД, % Коэфф. мощности Частота вращения вала, об/мин Напряжение питания, В Номин. ток, А Tmax/Tn Ts/Tn Is/In Уровень шума, дБ
1000 об/мин
MSEJ631-6 0.09 35.0 0.62 850 220/380 1.09/0.63 2.0 1.9 4.0 50
MSEJ632-6 0.12 38.3 0.64 850 220/380 1.28/0.74 2.0 1.9 4.0 50
MSEJ711-6 0.18 45.5 0.66 880 220/380 1.57/0.91 2.0 1.9 4.0 52
MSEJ712-6 0.25 52.1 0.68 880 220/380 1.85/1.07 2.0 1.9 4.0 52
MSEJ713-6 0.37 59.7 0.70 880 220/380 2.32/1.35 2.0 1.9 5.0 54
MSEJ801-6 0.37 59.7 0.70 900 220/380 2.32/1.35 2.0 1.9 5.0 54
MSEJ802-6 0.55 65.8 0.72 900 220/380 3.05/1.76 2.1 1.9 5.0 54
MSEJ803-6 0.75 70.0 0.72 900 220/380 3.91/2.26 2.1 2.0 5.5 57
MSEJ90S-6 0.75 70.0 0.72 910 220/380 3.91/2.26 2.1 2.0 5.5 57
MSEJ90L1-6 1.1 72.9 0.73 910 220/380 5.42/3.14 2.1 2.0 5.5 57
MSEJ90L2-6 1.5 75.2 0.75 910 220/380 6.98/4.04 2.1 2.0 5.5 61
MSEJ100L1-6 1.5 75.2 0.75 940 220/380 6.98/4.04 2.1 2.0 5.5 61
MSEJ100L2-6 2.2 77.7 0.76 940 220/380 9.78/5.66 2.1 2.0 6.5 65
MSEJ112M1-6 2.2 77.7 0.76 940 220/380 9.78/5.66 2.1 2.0 6.5 65
MSEJ112M2-6 3.0 79.7 0.76 940 220/380 13.0/7.53 2.1 2.1 6.5 69
MSEJ132S-6 3.0 79.7 0.76 960 380/660 7.53/4.33 2.1 2.1 6.5 69
MSEJ132M1-6 4.0 81.4 0.76 960 380/660 9.82/5.66 2.1 2.1 6.5 69
MSEJ132M2-6 5.5 83.1 0.77 960 380/660 13.1/7.52 2.1 2.1 6.5 69
MSEJ160M-6 7.5 84.7 0.77 960 380/660 17.5/10.1 2.1 2.0 6.5 73
MSEJ160L-6 11.0 86.4 0.78 960 380/660 24.8/14.3 2.1 2.0 6.5 73
750 об/мин
MSEJ711-8 0.09 28.0 0.56 660 220/380 1.51/0.87 1.9 1.6 3.0 50
MSEJ712-8 0.12 31.0 0.59 660 220/380 1.72/1.00 1.9 1.6 3.0 50
MSEJ801-8 0.18 38.0 0.61 680 220/380 2.04/1.18 1.9 1.6 3.0 52
MSEJ802-8 0.25 43.4 0.61 680 220/380 2.48/1.43 1.9 1.6 3.0 52
MSEJ803-8 0.37 49.7 0.61 680 220/380 3.20/1.85 1.9 1.6 4.0 56
MSEJ90S-8 0.37 49.7 0.61 690 220/380 3.20/1.85 1.9 1.6 4.0 56
MSEJ90L1-8 0.55 56.1 0.61 690 220/380 4.22/2.44 2.0 1.6 4.0 56
MSEJ90L2-8 0.75 61.2 0.67 690 220/380 4.80/2.78 2.0 1.8 4.0 59
MSEJ100L1-8 0.75 61.2 0.67 700 220/380 4.80/2.78 2.0 1.8 4.0 59
MSEJ100L2-8 1.1 66.5 0.69 700 220/380 6.29/3.64 2.0 1.8 5.0 59
MSEJ112M-8 1.5 70.2 0.69 700 220/380 8.13/4.71 2.0 1.8 5.0 61
MSEJ132S-8 2.2 74.2 0.71 710 380/660 6.34/3.65 2.0 1.8 6.0 65
MSEJ132M-8 3.0 77.0 0.73 710 380/660 8.11/4.67 2.0 1.8 6.0 69
MSEJ160M1-8 4.0 79.2 0.73 720 380/660 10.5/6.05 2.0 1.9 6.0 69
MSEJ160M2-8 5.5 81.4 0.74 720 380/660 13.9/7.99 2.0 2.0 6.0 69
MSEJ160L-8 7.5 83.1 0.75 720 380/660 18.3/10.5 2.0 2.0 6.0 73
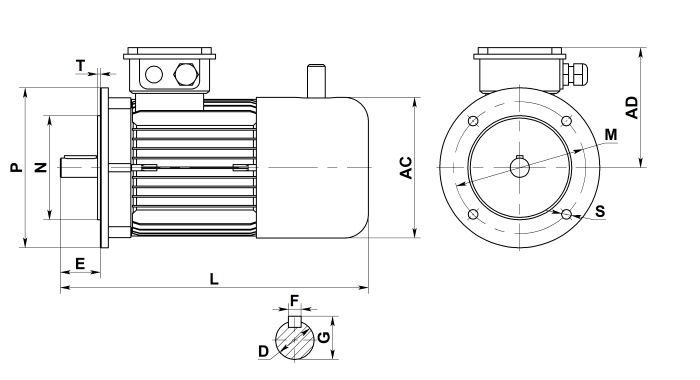
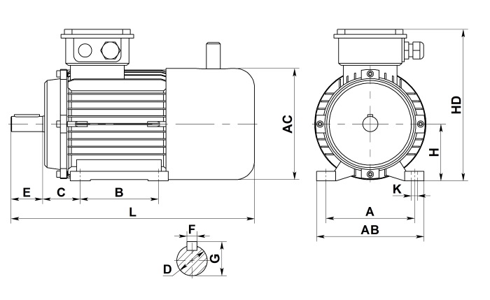
КОНСТРУКТИВНОЕ ИСПОЛНЕНИЕ IM B3
КОНСТРУКТИВНОЕ ИСПОЛНЕНИЕ IM B5
КОНСТРУКТИВНОЕ ИСПОЛНЕНИЕ IM B14
Типоразмер Присоединительные размеры (мм) Габаритные размеры (мм)
B3 B14 B5
A В С D E F G H К M N P S T M N P S T AB AC AD HD L
63 100 80 40 11 23 4 12.5 63 7 75 60 90 M5 2.5 115 95 140 10 3 130 130 117 180 266
71 112 90 45 14 30 5 16 71 7 85 70 105 M6 2.5 130 110 160 10 3.5 145 145 127 198 308
80 125 100 50 19 40 6 21.5 80 10 100 80 120 M6 3 165 130 200 12 3.5 160 165 141 221 350
90S 140 100 56 24 50 8 27 90 10 115 95 140 M8 3 165 130 200 12 3.5 180 185 147 237 399
90L 140 125 56 24 50 8 27 90 10 115 95 140 M8 3 165 130 200 12 3.5 180 185 147 237 425
100L 160 140 63 28 60 8 32 100 12 130 110 160 M8 3.5 215 180 250 14.5 4 205 215 157 257 462
112M 190 140 70 28 60 8 32 112 12 130 110 160 M8 3.5 215 180 250 14.5 4 245 240 174 286 501
132S 216 140 89 38 80 10 41 132 12 165 130 200 M10 3.5 265 230 300 14.5 4 280 275 193 325 561
132M 216 178 89 38 80 10 41 132 12 165 130 200 M10 3.5 265 230 300 14.5 4 280 275 193 325 599
160M 254 210 108 42 110 12 45 160 14.5 215 180 250 M12 4 300 250 350 18.5 5 320 330 255 420 742
160L 254 254 108 42 110 12 45 160 14.5 215 180 250 M12 4 300 250 350 18.5 5 320 330 255 420 742
180M 279 241 121 48 110 14 51.5 180 15 265 230 300 M15 4 300 250 350 19 5 355 380 280 455 820
180L 279 279 121 48 110 14 51.5 180 15 265 230 300 M15 4 300 250 350 19 5 355 380 280 455 820
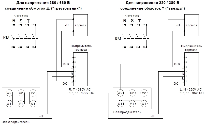
  • Принцип работы электродвигателей с тормозом ATB MSEJ
Электромагнитный тормоз работает по принципу использования электромагнитных сил для управления механическим торможением. В обесточенном состоянии пружины зажимают тормозной диск, закрепленный на валу электродвигателя между задней крышкой и плоскостью муфты, создавая тормозной момент.
При подаче питания на клеммы электродвигателя выпрямленное напряжение со встроенного выпрямителя поступает на электромагнитную муфту. Электромагнит возбуждается и притягивает якорь, при этом давление якоря на тормозной диск исчезает и тормозной диск освобождается и может свободно вращаться.
Вал электродвигателя растормаживается

Важно: Большинство электромагнитных тормозов являются нормально замкнутыми, что означает автоматическое торможение при отсутствии питания - это обеспечивает безопасность при аварийном отключении электроэнергии.
  • Конструкция и компоненты
Электромагнитный тормоз состоит из трех основных элементов:

1. Электромагнит
Представляет собой корпус с размещенной в нём катушкой или набором катушек. Корпус изготавливается из ферромагнитных материалов для усиления магнитного поля.
2. Якорь
Является исполнительным элементом, представляет собой антифрикционную поверхность для контакта с тормозным диском. Изготавливается из специальных материалов с высокими магнитными свойствами.
3. Тормозной диск
Движется по зубчатой втулке, закрепленной на валу двигателя. Является рабочей частью тормоза и оснащен фрикционными безасбестовыми колодками для эффективного торможения.
  • Способы управления тормозом
Существует два способа управления тормозом электродвигателя:
1. По переменному току.
Это самый простой способ, однако его недостатком является более долгое время срабатывания тормоза.
2. По постоянному току.
В данном случае тормоз срабатывает быстро, но при этом требуется дополнительный контакт на контакторе
  • Управления тормозом с помощью Преобразователя частоты
Типоразмеры 56 - 100
Типоразмеры 112 - 160
  • Класс энергоэффективности
Электродвигатели с нормальным КПД и электродвигатели с повышенным КПД (энергосберегающие), и соответственно обозначение класса энергетической эффективности по международному стандарту IEC 60034-30:

IE1 - "стандартный" класс КПД;

IE2 - "повышенный" класс КПД;

IE3 - "премиум" класс КПД;

IE4 - "суперпремиум" класс КПД.
  • Схема подключения
Соединение обмоток «Звезда»:
  • напряжение 380 В (мощности 0,06-4,0 кВт)
  • напряжение 660 В (мощности 5,5-18,5 кВт)
Соединение обмоток «Треугольник»:
  • напряжение 220 В (мощности 0,06-4,0 кВт)
  • напряжение 380 В (мощности 5,5-18,5 кВт)